
郵 箱:zhuoligk@163.com
手 機:18605374511
電 話:13280082001
地 址:濟寧市中區龍行路88號
常規銅管規格,銅管規格尺寸表,空調用銅管規格及計算價格方式,焊接及卡套連接覆塑銅管規格尺寸表,銅管規格之擠制銅管每米重量表,銅管規格之銅管重量計算公式,銅管規格之銅管焊接,銅管規格之銅管彎曲半徑及最小夾緊長度....

...

換向閥分類 換向閥結構 手動換向閥工作原理 六通手動換向閥結構及工作原理 機動換向閥工作原理 電磁換向閥結構及工作原理 比例電磁換向閥工作原理 二位五通電磁換向閥工作原理 液動換向閥工作原理 氣動換向閥工作原理 電液換向閥工作原理...

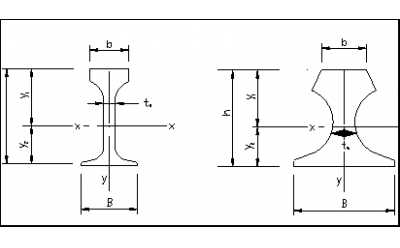
輕軌/重軌/起重機鋼軌的規格及標準尺寸圖 重軌規格,重軌標準,起重機鋼軌標準,起重機鋼軌尺寸...

銅的密度:各種銅的密度匯總 銅合金的密度 銅的密度是多少? 銅的密度是8.9. 鐵的密度是7.9,銅的密度大比鐵的密度大。鋁的密度是2.7,銅的密度大比鋁的密度大。...

Copyright © 2015-2018 www.m.huarongjia.com 卓力工礦 版權所有 魯ICP備13002216號-6 XML地圖