
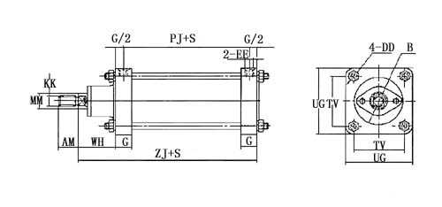
QGBZ系列重型氣缸
1.QGBZ系列氣缸為單活塞桿雙作用兩側可調緩沖氣缸。
2.QGBZ氣缸外形安裝尺寸符合ISO/6430國際標準,可替代TAIYO 10A-2系列氣缸。
3.主要材料選用優質碳素結構鋼制造,堅固耐用,適用于惡劣條件下工作。
4.QGBZ系列缸是我公司的新產品,可代替老產品QGA、QGB系列氣缸,凡是QGA、QGB系列氣缸適用的場合,QGBZ系列氣缸均可適用;且尺寸緊湊,安裝空間可以減少。


卓力工礦是國內知名QGBZ系列重型氣缸生產廠家,有豐富的經驗為客戶提供高品質的QGBZ系列重型氣缸及完善的售后服務,如果您想了解最新QGBZ系列重型氣缸價格或者更詳細信息,歡迎撥打服務熱線:
13280082001 18605374511.或者聯系在線客服:
點擊這里、立刻咨詢;我們攜程為您服務!
常見問題:QGBZ系列重型氣缸發貨時間? QGBZ系列重型氣缸售后保障? QGBZ系列重型氣缸訂貨需要提供什么信息?
產品標簽:QGBZ系列重型氣缸|
QGBZ氣缸|QGBZ單活塞桿雙作用兩側可調緩沖氣缸
|


![[pics:title]](/uploads/allimg/161109/1-1611091I004537-lp.jpg)
