用途與特征
ZTDLF整體多路換向閥采用整體鑄造,避免了片間漏油,體積小,便于安裝。復位方式有彈簧復位和鋼球定位可供選擇。
此閥可用于鉆機,鑿巖機,農業機械,車載起重機和小型空中作業平臺
性能參數
| 通徑 | 公稱壓力 | 公稱流量 | 許用背壓 | 先導控制壓力 |
| 10 | 25 | 45 | 2 | - |

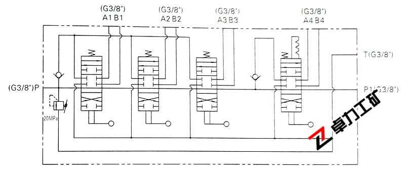
液壓原理圖

外形及連接尺寸

卓力工礦是國內知名ZTDLF整體多路換向閥生產廠家,有豐富的經驗為客戶提供高品質的ZTDLF整體多路換向閥及完善的售后服務,如果您想了解最新ZTDLF整體多路換向閥價格或者更詳細信息,歡迎撥打服務熱線:
13280082001 18605374511.或者聯系在線客服:
點擊這里、立刻咨詢;我們攜程為您服務!
常見問題:ZTDLF整體多路換向閥發貨時間? ZTDLF整體多路換向閥售后保障? ZTDLF整體多路換向閥訂貨需要提供什么信息?
產品標簽:ZTDLF整體多路換向閥|
ZTDLF鉆機多路換向閥
|


![[pics:title]](/uploads/allimg/180901/1-1PZ116360L44-lp.jpg)
